Browser out of supported, may caused unusable features.

NS-MCU-LGA049132166-002D

Model Name : NS-MCU-LGA049132166-002D
NS-MCU-LGA049132166-002D
Order No: 5002 Supported Device List
Usable for programmer(s):
NuProg-E2 NuProgPlus-U16
USD$ 475
*** Only for ESP32-C3-MINI-1-N4. ***
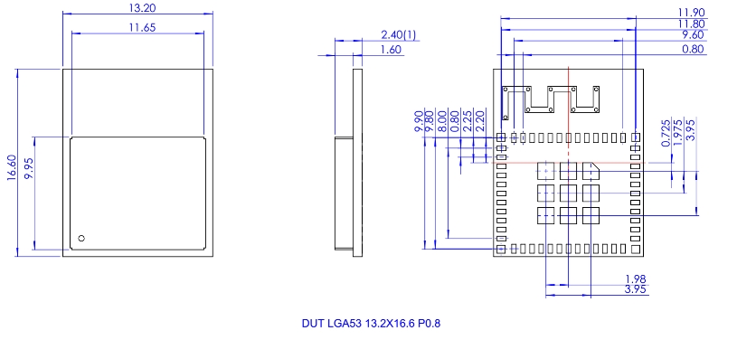
Package Type Number of Pin Type PCB Dimension IC Size(mm)
Length(D1) Width(E1) Height(A) Pitch(e) L Pins(D) W Pins(E)
LGA 53 Opentop 108*68 2.4 0.8 13.2 16.6

Adaptor Photo IC Drawing(mm)
Dediprog NS-MCU-LGA049132166-002D
Adaptor manual
  1. Make sure the triangle mark on the bottom left PCB board aims at the triangle mark on the DediProg devices. For more detailed insertion direction, please download the document HERE
    ※Caution: Incorrectly installed the socket adaptor may cause device and socket damage.
  2. Align the Pin 1 mark on the socket with the Pin 1 of the IC. Press down the top of the socket to insert the IC. Visually check the connection between the socket and the device, if it is connected properly, then the device is ready to program.
  3. We recommended using a pick up tool for handling the socket. Do not touch the PCB board directly, because dirt and statics may cause errors during device programming.
  4. Please remove the adaptor from the device after finish the work.
  5. ※Note: There are different sizes of the socket adaptors for ProgMaster & NuProgPlus programmers.
ProgMaster Programmers
Standard Type
  • 64 x 34mm (ProgMaster-U4/U8)
Special Type
  • 64 x 54mm (ProgMaster-U4 only)
  • 64 x 69mm (ProgMaster-U8 only)
NuProgPlus-U16
Standard Type
  • MCU PCB (82 x 34mm)
  • eMMC & UFS (108 x 34mm)
Special Type
  • MCU PCB (108 x 68mm)
Product File Type File Description Version Download File size Last Update
IC Part Number Manufacturer Chip Type
Socket Adaptor Package IC Size - Length(mm) IC Size - Width(mm) IC Size - Pitch(mm) Remark