Browser out of supported, may caused unusable features.

NS-MCU-LGA061105155-001D

Model Name : NS-MCU-LGA061105155-001D
NS-MCU-LGA061105155-001D
Order No: 5135
Usable for programmer(s):
NuProg-E2 NuProgPlus-U16
USD$ 410
*** Only for MDBT50Q. ***
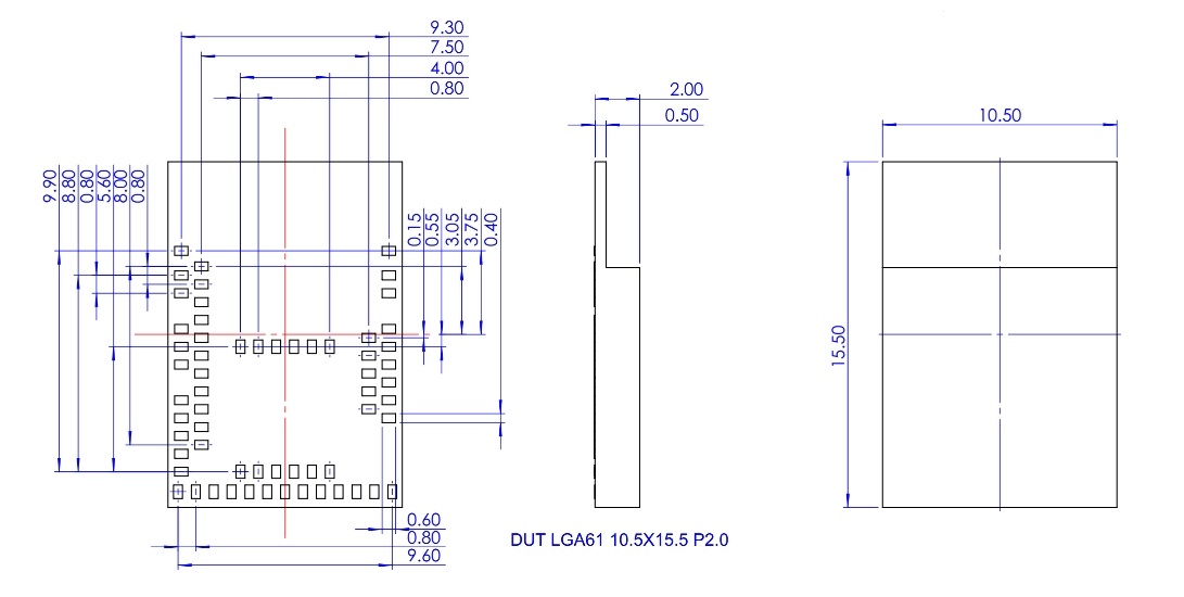
Package Type Number of Pin Type PCB Dimension IC Size(mm)
Length(D1) Width(E1) Height(A) Pitch(e) L Pins(D) W Pins(E)
LGA Opentop 99*68 2 0.8 15.5 10.5

Adaptor Photo IC Drawing(mm)
Dediprog NS-MCU-LGA061105155-001D
Adaptor manual
  1. Make sure the triangle mark on the bottom left PCB board aims at the triangle mark on the DediProg devices. For more detailed insertion direction, please download the document HERE
    ※Caution: Incorrectly installed the socket adaptor may cause device and socket damage.
  2. Align the Pin 1 mark on the socket with the Pin 1 of the IC. Press down the top of the socket to insert the IC. Visually check the connection between the socket and the device, if it is connected properly, then the device is ready to program.
  3. We recommended using a pick up tool for handling the socket. Do not touch the PCB board directly, because dirt and statics may cause errors during device programming.
  4. Please remove the adaptor from the device after finish the work.
  5. ※Note: There are different sizes of the socket adaptors for ProgMaster & NuProgPlus programmers.
ProgMaster Programmers
Standard Type
  • 64 x 34mm (ProgMaster-U4/U8)
Special Type
  • 64 x 54mm (ProgMaster-U4 only)
  • 64 x 69mm (ProgMaster-U8 only)
NuProgPlus-U16
Standard Type
  • MCU PCB (82 x 34mm)
  • eMMC & UFS (108 x 34mm)
Special Type
  • MCU PCB (108 x 68mm)
Product File Type File Description Version Download File size Last Update
Socket Adaptor Package IC Size - Length(mm) IC Size - Width(mm) IC Size - Pitch(mm) Remark